Upgrading an Ender 3 hotbed
For a long time now, I’ve been annoyed at how long it takes for the stock 24v / 120W hotbed to get to 100C to start printing ABS.
Normally, you set the bed heating up, then wait a while, then download your model, slice it, send it to the printer and you’d be almost at printing temperature.
This needs to be faster.
I got a 500W 240v AC powered heater and to control it, some SSR-D3808 solid state relays.
The SSR-D3808 is good for 8A at 24-380vAC - which is waaaaay more than what the hotbed will ever draw - but its only $0.10USD more expensive than the 5A version. More is better.
Before I go any further, I have to give this warning. This modification plays with mains voltage power. It can kill you. It can also hurt you the entire time that its killing you. If you’re not comfortable with that, read the rest of this page, go “huh, that’s cool” and get someone else to do it for you.
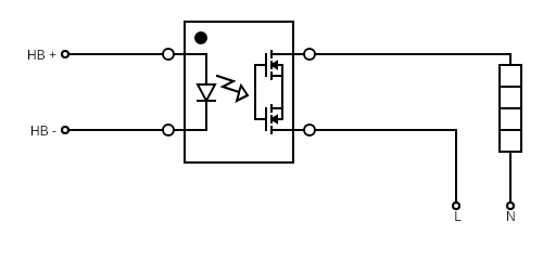
To wire this up, we want to run the + / - from the output of the control board to the + / - terminals on the solid state relay. In a nutshell, this:
You’ll then need to do some modifications in Marlin’s Configuration - or use my trusty Firmware Builder!
Set:
- Hotbed Thermistor Type (TEMP_SENSOR_BED) to 11 (100k beta 3950 1% thermistor)
- Enable PIDTEMPBED
This will ensure you are able to accurately control temperatures with the additional power. Using the stock BANG BANG method, I overshot target temperatures by 6 or more degrees.
When you’ve flashed that firmware, make sure you do a PID Tune on the bed using M303 E-1 C10 S100. This will cycle around the 100C target temperature 10 times and then give you
some Kp, Ki, and Kd values. Set these in Marlin via M304 P35.63 I6.94 D121.86 - but remember to replace the values here with ones for your setup.
Finally, save your configuration to EEPROM using M500.
Enjoy the faster heating speeds :)

